PMS161包含一个最多5键的电容式触摸控制电路,包含 1.5KW OTP 程序内存以及96
字节数据存储器,一个16位的硬件计数器两个 8 位 Timer2/Timer3 计数器,以OTP为程序存储基础的 CMOS 8-bit 微处理器

系统特性
1.1.5 KW OTP 程序储存器
2.96 Bytes 数据储存器
3.最多可选择5个IO引脚作为的触摸按键
4.一个16位定时器
5.两个8位定时器
6.提供一个比较器
7.6个IO引脚并带有上拉/下拉电阻选项
8.Bandgap 电路提供1.20V Bandgap电压
9.时钟源:内部高频RC振荡器,内部低频RC振荡器
10.16段LVR复位设定: 4.5V, 4.0V, 3.75V, 3.5V, 3.3V, 3.15V, 3.0V, 2.7V, 2.5V, 2.4V, 2.3V, 2.2V, 2.1V, 2.0V, 1.9V, 1.8V
11.两个可选的外部中断引脚
12.内部LDO可防止触摸噪声
13.支持低功耗(NILRC)定时唤醒stopsys

系统概述和方框图
PMS161 系列是一款完全静态的,以OTP为程序存储基础的 CMOS 8-bit 微处理器。它运用 RISC 的架构
并大部分的指令执行都是一个指令周期的,只有少部分处理间接寻址指令需要两个指令周期。

引脚功能说明
所有 IO 引脚都具有相同的结构。当 PMS161 进入掉电或省电模式时,每个引脚都可以通过切换其状态来
唤醒系统。因此,唤醒系统所需的引脚必须设置为输入模式,并将寄存器 padier 的相应位设置为高。同样地,
当 PA0 作为外部中断引脚时,应将 padier.0 设置为高电平。
所有这些引脚设置有施密特触发输入缓冲器和 CMOS 输出驱动电位水平。当这些引脚为输出低电位时,弱
上拉电阻会自动关闭。如果要读取端口上的电位状态,一定要先设置成输入模式;在输出模式下,读取到的数
据是数据寄存器的值

8 位计数器 (Timer3)
PMS161 内置了 1 个 8 位硬件计数器 (Timer3)。Timer3 计数器的时钟源可以来自系统时钟 (CLK),内部
高频 RC 振荡器时钟 (IHRC),内部低频 RC 振荡器时钟 (ILRC),NILRC 和比较器。寄存器 tm3c 的位[6:4]用
来选择 Timer3 的时钟。利用软件程序设计寄存器 tm3s 位[6:5],时钟预分频模块提供÷1,÷4,÷16 和÷64 的选
择,另外,利用软件程序设计寄存器 tm3s 位[1:0],时钟分频器的模块提供了÷1~÷31 的功能。在结合预分频器
以及分频器,Timer3 时钟(TM3_CLK)频率可以广泛和灵活,以提供不同产品应用。

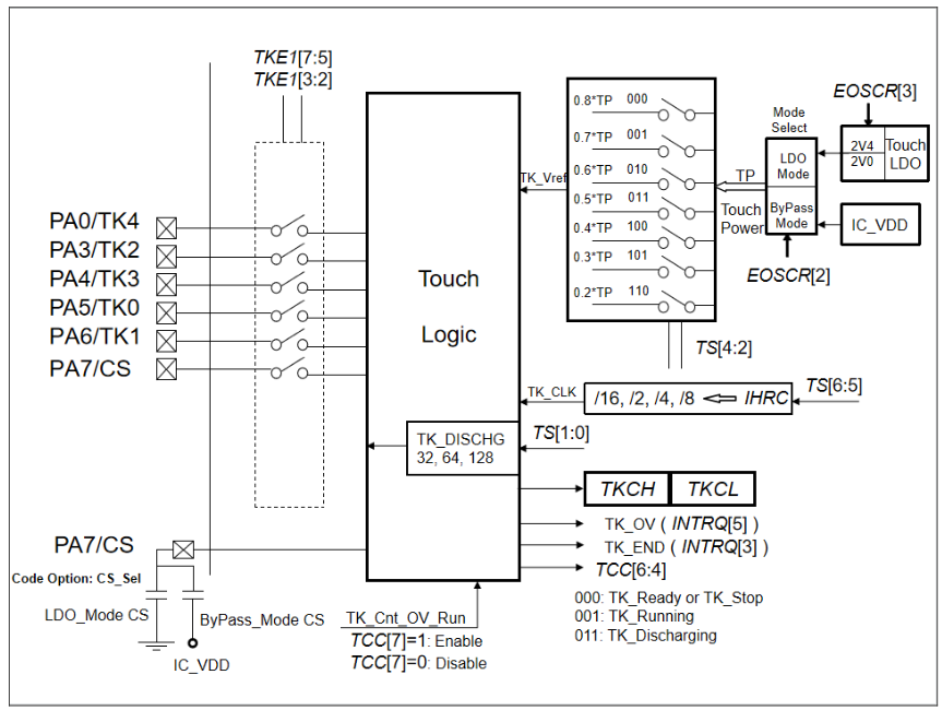
触摸功能
PMS161 中的触摸检测电路应用电容式感应的方法,检测手指的虚拟地面效应电容,或感应极片之间的电容。
使用触摸功能时,用户可通过寄存器 ESOCR[3:2]配置触摸模块电源。
1. 设置 ESOCR[2] 选择 ByPass/LDO 模式。
2. 若选择 ByPass 模式,触摸模块电源是芯片 VDD,需要在 CS(电容触摸灵敏度)引脚和 VDD 之间
连接一颗精确而低漏电率的外部电容器 CS。
3. 若选择 LDO 模式时,通过 ESOCR[3]选择 2.4V/2V 的 LDO 提供触摸模块电源,需要在 CS(电容触
摸灵敏度)引脚和 GND 之间连接一颗精确而低漏电率的外部电容器 CS。
4. 同时,用户应将代码选项 PA7_Sel 设置为 As_CS,将其配置为 CS 引脚,而不是 PA7。

IO 引脚的使用和设定
(1) IO 作为数字输入时
IO 作为数字输入时,Vih 与 Vil 的准位,会随着电压与温度变化,请遵守 Vih 的最小值,Vil 的最大值
规范
内部上拉电阻值将随着电压、温度与引脚电压而变动,并非为固定值
(2) IO 作为数字输入和打开唤醒功能
设置 IO 为输入
用 PADIER 寄存器,将对应的位设为 1
(3) PA5 设置为 PRSTB 输入引脚
设定 PA5 作输入
设定 CLKMD.0=1 来启用 PA5 作为 PRSTB 输入引脚
(4) PA5 作为输入并通过长导线连接至按键或者开关
必需在 PA5 与长导线中间串接 >33Ω
应尽量避免使用 PA5 作为输入
应广单片机产品应用领域
玩具类:
RF/IR遥控直升飞机,遥控车,PS游戏机,儿童智能玩具,动物语音玩具,游戏方向盘,儿童学习机等
家电类:
电磁炉、电炒锅、电饭煲、热水壶,健康秤、冰箱控制系统、遥控器、电风扇、洗衣机控制模块、消毒柜、智能家居系统,遥控灯具等
电子消费类:
电子万年历、温度湿度计、跑步计速器、按摩器、数码复读录音、笔电子礼品、电子密码锁,镍氢,锂电池充电器,超声波测距,防盗报警器,灯饰控制,舵机
其它:
智能温湿度记录仪、智能温控器、计时器、计数器、电机调速控制器、鼠标、键盘、移动存贮盘
