核心关键词:PMS164、触摸按键单片机、OTP微控制器、应广科技、低功耗MCU、电容触摸感应、8位处理器、PWM输出、智能家电芯片
产品概述
在智能设备蓬勃发展的今天,微控制器作为产品的"大脑",其性能直接影响着用户体验和产品竞争力。应广科技推出的PMS164 OTP单片机,凭借其出色的触摸性能、丰富的功能集成和优异的功耗控制,正在成为智能控制领域的一颗耀眼新星。
核心技术特性
🎯 全能型架构设计
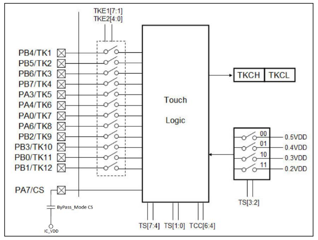
- 12通道高灵敏度触摸检测 - 支持复杂的触摸面板设计
- 双8位PWM定时器 - 提供灵活的波形生成能力
- 16位通用定时器 - 满足精确计时需求
- 硬件比较器 - 支持模拟信号处理
- 多时钟源选择 - 适应不同应用场景
- 8级可编程LVR - 确保系统稳定运行
🚀 卓越的触摸性能
PMS164采用电容式感应技术,能够准确检测手指的接近和触摸。其独特的CS电容充电检测机制确保了触摸信号的稳定性,即使在潮湿环境或带有手套操作时也能保持可靠的检测性能。
⚡ 精准的PWM控制能力
Timer2和Timer3支持周期模式和PWM模式,PWM分辨率可在6位、7位、8位间选择。这意味着开发者可以实现从精细的LED调光到精确的电机控制等各种应用。
🔋 业界领先的功耗表现
| 工作模式 | 功耗指标 | 特点 |
|---|---|---|
| 正常工作模式 | 低至0.5mA @ 1MIPS | 高性能运行 |
| 省电模式(stopexe) | 仅3.5μA | 保持快速唤醒 |
| 掉电模式(stopsys) | 最低0.9μA | 最大限度延长电池寿命 |
应用领域展示
🏠 智能家居
触摸台灯、智能开关、窗帘控制器
🍳 厨房家电
电磁炉、电饭煲、抽油烟机
🎮 消费电子
智能玩具、遥控器、个人护理设备
🏭 工业控制
小型电机驱动、传感器接口、仪器仪表
技术规格摘要
| 参数 | 规格 |
|---|---|
| 程序内存 | 1.75KW OTP |
| 数据存储器 | 128字节 SRAM |
| 触摸通道 | 12键独立触摸 |
| 工作电压 | 2.0V - 5.5V |
| 工作温度 | -40°C ~ 85°C |
| 封装选项 | DFN、SOT23-6、SOP8、SOP16、ESSOP10 |
PMS164 内含一个触摸检测电路

特别注意事项
此章节提醒用户在使用 PMS164 系列 IC 时避免常犯的一些错误。警告
用户必须详细阅读所有与此 IC 有关的 APN,才能使用此 IC。有关下载此 IC 的 APN,请访问公司网站。
使用 IC
IO 引脚的使用和设定
(1) IO 作为数字输入时
◆ IO 作为数字输入时,Vih 与 Vil 的准位,会随着电压与温度变化,请遵守 Vih 的最小值,Vil 的最大值
规范
◆ 内部上拉电阻值将随着电压、温度与引脚电压而变动,并非为固定值
(2) IO 作为数字输入和打开唤醒功能
◆ 设置 IO 为输入
◆ 用 PADIER 和 PBDIER 寄存器,将对应的位设为 1
(3) PA5 设置为输出引脚
◆ PA5 只能做 Open Drain 输出,输出高需要外加上拉电阻
(4) PA5 设置为 PRSTB 输入引脚
◆ 设定 PA5 作输入
◆ 设定 CLKMD.0=1 来启用 PA5 作为 PRSTB 输入引脚
(5) PA5 作为输入并通过长导线连接至按键或者开关
◆ 必需在 PA5 与长导线中间串接 >33Ω
◆ 应尽量避免使用 PA5 作为输入

技术优势总结
PMS164不仅在技术参数上表现出色,更重要的是真正理解市场需求,解决实际应用中的痛点。无论是追求极致功耗的电池设备,还是要求稳定性的家电产品,亦或是注重成本的消费电子,PMS164都能提供恰到好处的解决方案。
开发支持:提供完整的开发工具链,包括5S-I-S01/2(B)仿真器、MINI-C开发环境和丰富的应用笔记。
